Phil Bergstedt
DIY-Audio Blog
Phil Bergstedt
DIY-Audio Blog

  • Home
  • About

  • PROJECTS

  • Powered Wire - Class A
  • ESP P06 - Phono Preamp
  • ESP P180 - Power Meter
  • 1A Power Supply
  • ChipAmp LM3886
  • JHL-1969 10W Class A
  • The Case
  • Shaker Amp w/Fan Ctrl

  • LINKS

           

    CONTACT


©2004-2019 Philip Bergstedt. All photographs appearing on this site are the property of Philip Bergstedt (except noted). They are protected by U.S. Copyright Laws, and are not to be reproduced without the permission of Philip Bergstedt. All Rights Reserved.

ESP P180 - Power Meter Project

I have always liked the Kenwood 6100 integrated stereo amplifier. It was my high school dream amp, it sounded great, and looked awesome. I could never afford one as a kid, but later in life I have been able to acquire a couple via eBay (okay maybe 5 or 6 of them). I have used the power meters from a scrapped KA-6100 in my Case project, and implemented them via the original Kenwood schematic.

ESP (Elliott Sound Products) has published a better meter circuit (Project 180 Audio Amplifier Power Meter), it is a full wave rectified driver circuit with a couple additional caps over the original one I’m using. Below is my progress…


My first meter driver circuit, taken from the KA-6100:

 KA-6100 Schematic

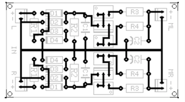
ESP does not offer a PCB for this project (just the schematic), so I designed one myself. Contact me for the printable one sided drawing and top silk if you’d like to give it a try.

 ESP - P180 PCB

Awesome looking backlit meter (hard to find a Watt based scale)...

 KA-6100 Meter

PCB ready for components (click on pictures for larger image)

 Meter PCB

Components installed on prototype board, ready for testing. The goal is to get the board size down to about half of the prototype.

 Meter PCB with components

Found a set of old meters for testing only. Now that I have verified the board works (testing my design, high / low function and tuning / setting), I can now start the subjective comparison to the original circuit. This will take some time and I will tinker with it for a week or so as time permits. Picture below is of the first power amp driven test:

 First power amp driven test of the P180 circuit

Testing meter driver boards with mono signal and calibrated at 500Hz (@ 3.5v RMS in 8 ohm dummy loads). Left meter is driven by the KA-6100 designed board and the right is driven by the ESP P180 project board (C1 is 470nF in this test). I found some uncopyrighted material out on the FMA site, picked a couple songs that would drive the meters. I’m amazed at the difference in the response of the meters based on the content.
Note: music is from FMA public domain, there is a reason it's free...