Phil Bergstedt
DIY-Audio Blog
Phil Bergstedt
DIY-Audio Blog

  • Home
  • About

  • PROJECTS

  • Powered Wire - Class A
  • ESP P06 - Phono Preamp
  • ESP P180 - Power Meter
  • 1A Power Supply
  • ChipAmp LM3886
  • JHL-1969 10W Class A
  • The Case
  • Shaker Amp w/Fan Ctrl

  • LINKS

           

    CONTACT


©2004-2019 Philip Bergstedt. All photographs appearing on this site are the property of Philip Bergstedt (except noted). They are protected by U.S. Copyright Laws, and are not to be reproduced without the permission of Philip Bergstedt. All Rights Reserved.

The Powered Wire: Class A Amp

My audio blog is called the powered wire, and this project is one of the reason why. This is the simplest Class A amp I have ever seen. Mark Houston published the "Class-A 2SK1058 MOSFET Amplifier" in 2007. (link to orginal project) After reading his post I started playing with the idea of building an amp that would be driven by my tube based headphone amp (Bravo Audio V2 Class A 12AU7 Tube Multi-Hybrid Headphone Amplifier), this should supply the needed voltage to drive the MOSFET.


Schematic for the Powered Wire project, the red line shows the single path, it passes thru only 4 devices (3 passive, one active):

 Schematic

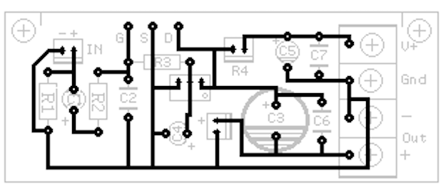
PCB design with silk:

 PCB design

Note: The ground design, is a simple common trace to avoid a ground loop.
Prototype Board Build:

 Board build

Note: Pulled leg of R1 and the missing C2 of the input stage.

This simple MOSFET amp was fun to build and tinker with. It lacks power to be usable, but it dove my Polk Audio bench speakers (8Ω / 89dB) to a listenable level. The voltage drop / current limiting resistor (R4) does get hot, and is completely inefficient. The simplicity is what makes it intriguing, and the sound is pure and uncolorized (yes I know that’s not a word). I also discovered there is no need for the headphone amp. I was able to drive it to saturation with a standard line level (1vpp) input.

What fun is it to build something if you can't share it...